
ÜRÜNLER / AÇIK MERKEZ HİDROLİK AYNALAR - KHC
AÇIK MERKEZ HİDROLİK AYNALAR - KHC
YÜKSEK DEVİRLİ VE HIZLI AYAK DEĞİŞTİRMELİ HİDROLİK AYNALAR - HSQC
ELLE KUMANDALI TORNA AYNALARI
SÜPER HASSAS TEZGAH MENGENELERİ
DÖNER PUNTALAR
SABİT PUNTALAR
PENS AYNASI
GENEL ÖZELLİKLER
TEKNİK ÖZELLİKLER
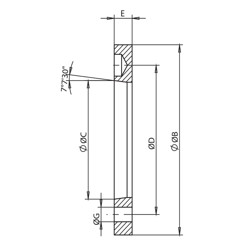
| Kısa Koni Flanşı DIN55026 Fener Mili | |
| AF05-A04 | |
| Sipariş Kodu | AF05-A04 |
| ØB | 110 |
| ØC | 63,513 |
| ØD | 82,55 |
| E | 15 |
| ØG | 11 |
| Ayna Modeli | KHC-205 |
| AF06-A05 | |
| Sipariş Kodu | AF06-A05 |
| ØB | 140 |
| ØC | 82,563 |
| ØD | 104,78 |
| E | 15 |
| ØG | 11 |
| Ayna Modeli | KHC-206 |
| AF08-A06 | |
| Sipariş Kodu | AF08-A06 |
| ØB | 170 |
| ØC | 106,375 |
| ØD | 133,35 |
| E | 17 |
| ØG | 13 |
| Ayna Modeli | KHC-208 |
| AF10-A08 | |
| Sipariş Kodu | AF10-A08 |
| ØB | 220 |
| ØC | 139,719 |
| ØD | 171,45 |
| E | 18 |
| ØG | 17 |
| Ayna Modeli | KHC-210 |
| AF12-A08 | |
| Sipariş Kodu | AF12-A08 |
| ØB | 220 |
| ØC | 139,719 |
| ØD | 171,45 |
| E | 18 |
| ØG | 17 |
| Ayna Modeli | KHC-212 |
| AF15-A11 | |
| Sipariş Kodu | AF15-A11 |
| ØB | 300 |
| ØC | 196,869 |
| ØD | 235 |
| E | 22 |
| ØG | 21 |
| Ayna Modeli | KHC-215 |
| AF18-A11 | |
| Sipariş Kodu | AF18-A11 |
| ØB | 300 |
| ØC | 196,869 |
| ØD | 235 |
| E | 22 |
| ØG | 21 |
| Ayna Modeli | KHC-221 |
| AF18-A11 | |
| Sipariş Kodu | AF18-A11 |
| ØB | 300 |
| ØC | 196,869 |
| ØD | 235 |
| E | 22 |
| ØG | 21 |
| Ayna Modeli | KHC-218 |
| AF21-A15 | |
| Sipariş Kodu | AF21-A15 |
| ØB | 380 |
| ØC | 285,775 |
| ØD | 330,2 |
| E | 27 |
| ØG | 25 |
| Ayna Modeli | KHC-221 |
| AF24-A20 | |
| Sipariş Kodu | AF24-A20 |
| ØB | 520 |
| ØC | 412,775 |
| ØD | 463,6 |
| E | 27 |
| ØG | 25 |
| Ayna Modeli | KHC-224 |
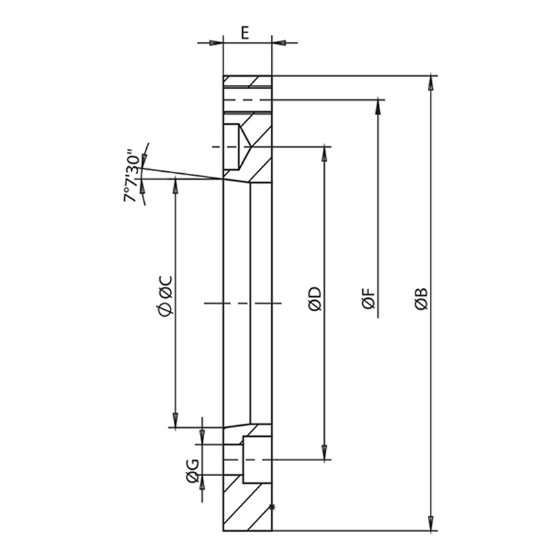
| Kısa Koni Flanşı DIN55026 Fener Mili | |
| AF06-A04 | |
| Sipariş Kodu | AF06-A04 |
| ØB | 140 |
| ØC | 63,513 |
| ØD | 82,55 |
| E | 20 |
| ØF | 104,78 |
| ØG | 11 |
| Ayna Modeli | KHC-206 |
| AF08-A05 | |
| Sipariş Kodu | AF08-A05 |
| ØB | 170 |
| ØC | 82,563 |
| ØD | 104,78 |
| E | 23 |
| ØF | 133,5 |
| ØG | 11 |
| Ayna Modeli | KHC-208 |
| AF10-A06 | |
| Sipariş Kodu | AF10-A06 |
| ØB | 220 |
| ØC | 106,375 |
| ØD | 133,35 |
| E | 25 |
| ØF | 171,45 |
| ØG | 13 |
| Ayna Modeli | KHC-210 |
| AF12-A06 | |
| Sipariş Kodu | AF12-A06 |
| ØB | 220 |
| ØC | 106,375 |
| ØD | 133,35 |
| E | 25 |
| ØF | 171,45 |
| ØG | 13 |
| Ayna Modeli | KHC-212 |
| AF15-A08 | |
| Sipariş Kodu | AF15-A08 |
| ØB | 300 |
| ØC | 139,719 |
| ØD | 171,4 |
| E | 33 |
| ØF | 235 |
| ØG | 17 |
| Ayna Modeli | KHC-215 |
| AF18-A08 | |
| Sipariş Kodu | AF18-A08 |
| ØB | 300 |
| ØC | 139,719 |
| ØD | 171,4 |
| E | 33 |
| ØF | 235 |
| ØG | 17 |
| Ayna Modeli | KHC-218 |
| AF21-A11 | |
| Sipariş Kodu | AF21-A11 |
| ØB | 380 |
| ØC | 196,869 |
| ØD | 235 |
| E | 41 |
| ØF | 330,2 |
| ØG | 21 |
| Ayna Modeli | KHC-221 |
| AF24-A15 | |
| Sipariş Kodu | AF24-A15 |
| ØB | 520 |
| ØC | 285,775 |
| ØD | 330,2 |
| E | 42 |
| ØF | 463,6 |
| ØG | 25 |
| Ayna Modeli | KHC-224 |
© 2020 Komtaş Makine - Tüm Hakları Saklıdır...







