
ÜRÜNLER / ELLE KUMANDALI TORNA AYNALARI
AÇIK MERKEZ HİDROLİK AYNALAR - KHC
YÜKSEK DEVİRLİ VE HIZLI AYAK DEĞİŞTİRMELİ HİDROLİK AYNALAR - HSQC
ELLE KUMANDALI TORNA AYNALARI
SÜPER HASSAS TEZGAH MENGENELERİ
DÖNER PUNTALAR
SABİT PUNTALAR
PENS AYNASI
GENEL ÖZELLİKLER
İnce dizayn kolay kullanım
Döndürülebilir sert ve yumuşak ayaklar
Özellikle işleme merkezleri için uygundur.
Seri imalatta birden fazla ayna gövde üzerindeki kama kanalı ile tezgah tablasına bağlanabilir.
Tezgah tablasına kolay montaj ve demontaj
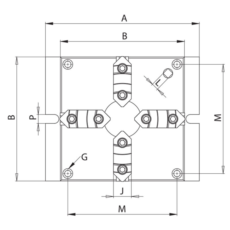
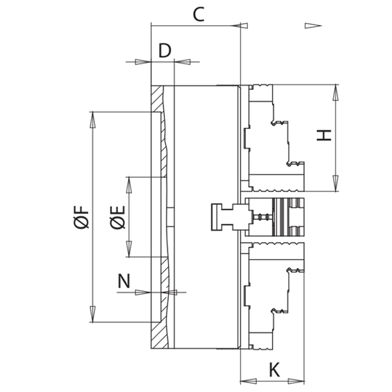
TEKNİK ÖZELLİKLER
| 164DKS | ||
| Sipariş Kodu | 164DKS | |
| A | 215 | |
| B | 165 | |
| C | 57 | |
| D | 18 | |
| E | 47 | |
| F | 125 | |
| G | M10 | |
| H | 70 | |
| J | 28 | |
| K | 42 | |
| L | 12 | |
| M | 144 | |
| N | 5 | |
| P | 16 | |
| Sıkma Çapları | Dıştan Max | 128 |
| Dıştan Min | 4 | |
| İçten Min | 52 | |
| 204DKS | ||
| Sipariş Kodu | 204DKS | |
| A | 250 | |
| B | 200 | |
| C | 65 | |
| D | 20 | |
| E | 55 | |
| F | 160 | |
| G | M12 | |
| H | 83 | |
| J | 30 | |
| K | 47 | |
| L | 12 | |
| M | 174 | |
| N | 5 | |
| P | 16 | |
| Sıkma Çapları | Dıştan Max | 163 |
| Dıştan Min | 5 | |
| İçten Min | 56 | |
| 254DKS | ||
| Sipariş Kodu | 254DKS | |
| A | 310 | |
| B | 250 | |
| C | 72 | |
| D | 22 | |
| E | 76 | |
| F | 200 | |
| G | M12 | |
| H | 101,5 | |
| J | 36 | |
| K | 57 | |
| L | 14 | |
| M | 220 | |
| N | 6 | |
| P | 18 | |
| Sıkma Çapları | Dıştan Max | 205 |
| Dıştan Min | 5 | |
| İçten Min | 72 | |
| 314DKS | ||
| Sipariş Kodu | 314DKS | |
| A | 380 | |
| B | 310 | |
| C | 85 | |
| D | 25 | |
| E | 103 | |
| F | 260 | |
| G | M16 | |
| H | 131 | |
| J | 42 | |
| K | 60 | |
| L | 14 | |
| M | 274 | |
| N | 6 | |
| P | 22 | |
| Sıkma Çapları | Dıştan Max | 165 |
| Dıştan Min | 10 | |
| İçten Min | 92 | |
© 2020 Komtaş Makine - Tüm Hakları Saklıdır...







