
ÜRÜNLER / DÖNER PUNTALAR
AÇIK MERKEZ HİDROLİK AYNALAR - KHC
YÜKSEK DEVİRLİ VE HIZLI AYAK DEĞİŞTİRMELİ HİDROLİK AYNALAR - HSQC
ELLE KUMANDALI TORNA AYNALARI
SÜPER HASSAS TEZGAH MENGENELERİ
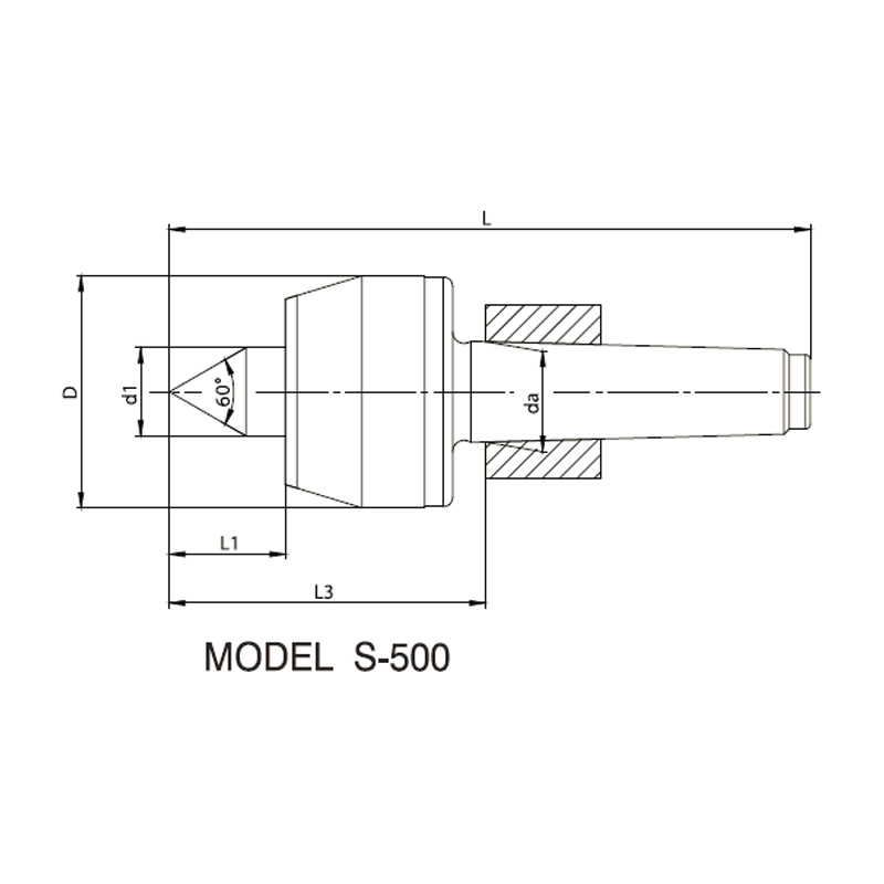
DÖNER PUNTALAR
SABİT PUNTALAR
PENS AYNASI
GENEL ÖZELLİKLER
TEKNİK ÖZELLİKLER
| MORS KONİĞİ MK2 | |
| D | 45 |
| d1 | 20 |
| L | 130 |
| L1 | 24 |
| L3 | 65 |
| da | 17,78 |
| Salgı Değeri (max. mm) | 0,005 |
| Ağırlık (kg) | 0,5 |
| Sipariş Kodu | MK2-202 |
| MORS KONİĞİ MK3 | |
| D | 58 |
| d1 | 25 |
| L | 164 |
| L1 | 30,5 |
| L3 | 82 |
| da | 23,825 |
| Salgı Değeri (max. mm) | 0,005 |
| Ağırlık (kg) | 0,8 |
| Sipariş Kodu | MK3-202 |
| MORS KONİĞİ MK4 | |
| D | 68 |
| d1 | 32 |
| L | 205 |
| L1 | 41 |
| L3 | 102,5 |
| da | 31,267 |
| Salgı Değeri (max. mm) | 0,005 |
| Ağırlık (kg) | 1,95 |
| Sipariş Kodu | MK4-202 |
| MORS KONİĞİ MK5 | |
| D | 88 |
| d1 | 40 |
| L | 259 |
| L1 | 50,5 |
| L3 | 129 |
| da | 44,399 |
| Salgı Değeri (max. mm) | 0,005 |
| Ağırlık (kg) | 4,45 |
| Sipariş Kodu | MK5-202 |
| MORS KONİĞİ MK6 | |
| D | 105 |
| d1 | 50 |
| L | 334 |
| L1 | 57,5 |
| L3 | 152 |
| da | 63,348 |
| Salgı Değeri (max. mm) | 0,01 |
| Ağırlık (kg) | 9,1 |
| Sipariş Kodu | MK6-202 |
© 2020 Komtaş Makine - Tüm Hakları Saklıdır...










