• Hassas İş Bağlama Sistemleri

  • Alanında Uzman Kadro

  • Hassas İş Bağlama Sistemleri

ÜRÜNLER / DÖNER PUNTALAR
 GENEL ÖZELLİKLER
 TEKNİK ÖZELLİKLER
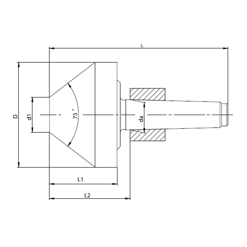
MK3-301-80
Mors Koniği 3 D 80
d1 25
L 156
L1 64
L2 75
da 23,825
Salgı Değeri (max. mm) 0,005

 

MK3-301-100
Mors Koniği 3 D 100
d1 25
L 169,5
L1 77
L2 88,5
da 23,825
Salgı Değeri (max. mm) 0,005

 

MK3-301-120
Mors Koniği 3 D 120
d1 30
L 165,5
L1 73
L2 84,5
da 23,825
Salgı Değeri (max. mm) 0,005

 

MK4-301-80
Mors Koniği 4 D 80
d1 25
L 177,5
L1 64
L2 75
da 31,267
Salgı Değeri (max. mm) 0,005

 

MK4-301-100
Mors Koniği 4 D 100
d1 25
L 191,5
L1 77
L2 89,5
da 31,267
Salgı Değeri (max. mm) 0,005

 

MK4-301-120
Mors Koniği 4 D 120
d1 30
L 187,7
L1 73
L2 85,3
da 31,267
Salgı Değeri (max. mm) 0,005

 

MK4-301-140
Mors Koniği 4 D 140
d1 50
L 208,3
L1 90
L2 105,8
da 31,267
Salgı Değeri (max. mm) 0,005

 

MK4-301-170
Mors Koniği 4 D 170
d1 50
L 211,3
L1 93
L2 105,8
da 31,267
Salgı Değeri (max. mm) 0,005

 

MK5-301-100
Mors Koniği 5 D 100
d1 25
L 221,5
L1 77
L2 91,5
da 44,399
Salgı Değeri (max. mm) 0,01

 

MK5-301-120
Mors Koniği 5 D 120
d1 30
L 217,5
L1 73
L2 87,5
da 44,399
Salgı Değeri (max. mm) 0,01

 

MK5-301-140
Mors Koniği 5 D 140
d1 50
L 235,2
L1 90
L2 105,6
da 44,399
Salgı Değeri (max. mm) 0,01

 

MK5-301-170
Mors Koniği 5 D 170
d1 50
L 238,2
L1 93
L2 108,6
da 44,399
Salgı Değeri (max. mm) 0,01

 

MK6-301-170
Mors Koniği 6 D 170
d1 50
L 293
L1 93
L2 111
da 63,348
Salgı Değeri (max. mm) 0,01

Adres: Fevzi Çakmak Mh. 10758 Sk. No:1/C 42050 Karatay / KONYA
Tel. : +90 (332) 502 01 35
E-Posta: info@komtasmakine.com.tr

BİZE ULAŞIN

+90 (332) 502 01 35

info@komtasmakine.com.tr