
ÜRÜNLER / SABİT PUNTALAR
AÇIK MERKEZ HİDROLİK AYNALAR - KHC
YÜKSEK DEVİRLİ VE HIZLI AYAK DEĞİŞTİRMELİ HİDROLİK AYNALAR - HSQC
ELLE KUMANDALI TORNA AYNALARI
SÜPER HASSAS TEZGAH MENGENELERİ
DÖNER PUNTALAR
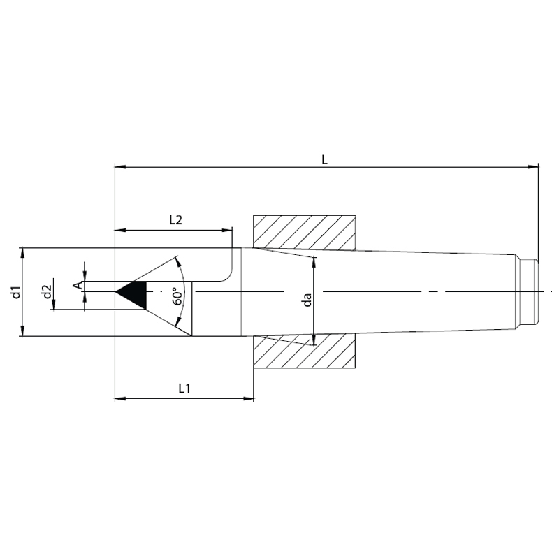
SABİT PUNTALAR
PENS AYNASI
GENEL ÖZELLİKLER
TEKNİK ÖZELLİKLER
| MK3-104 | |||
| Mors Koniği | 3 | d1 | 24,1 |
| d2 | 11 | ||
| L | 125 | ||
| L1 | 44 | ||
| L2 | 38 | ||
| A | 3 | ||
| da | 23,825 | ||
| Ağırlık (kg) | 0,36 | ||
| MK4-104 | |||
| Mors Koniği | 4 | d1 | 31,6 |
| d2 | 14 | ||
| L | 160 | ||
| L1 | 57,5 | ||
| L2 | 50 | ||
| A | 5 | ||
| da | 31,267 | ||
| Ağırlık (kg) | 0,81 | ||
| MK5-104 | |||
| Mors Koniği | 5 | d1 | 44,7 |
| d2 | 18 | ||
| L | 200 | ||
| L1 | 70,5 | ||
| L2 | 63 | ||
| A | 7 | ||
| da | 44,399 | ||
| Ağırlık (kg) | 2,11 | ||
| MK6-104 | |||
| Mors Koniği | 6 | d1 | 63,8 |
| d2 | 18,7 | ||
| L | 270 | ||
| L1 | 88 | ||
| L2 | 79 | ||
| A | 10 | ||
| da | 63,348 | ||
| Ağırlık (kg) | 5,1 | ||
© 2020 Komtaş Makine - Tüm Hakları Saklıdır...






